Black t-shirt covered in cat hair, currently a beard but it makes me look 10 years older so I’ll probably shave it before meeting you. Very, very, sharp vision because of getting some fancy toric cataract lenses installed.
I don’t mind paying, but if you want to, I won’t stop you. I’m not going to pay for your gal pal you decided to bring along, that’s your business, not mine.
I do like the weird and odd, but bear in mind, if it’s your circus, it’s your monkeys and I can’t get involved.
I have a house. I hear that’s rare these days. There are entirely too many cats. Guinan will stare deeply into your eyes and want petted. And then poke you till you do.
I’m 99% sure Data was just trying to fuck Dylan. Who are both neutered. Not sure what that was… Or why I’m telling you
But there are 17 more! And they are a mess! Anyway if you want to hang out and watch Netflix I’ll clean the couch cover. But you will end up covered in cat hair.
Perfectly happy to de-lint you if you’re comfortable with that at the end
@f00l I don’t think I can mix it. I probably have the tools to fix it. Depending on what’s broke. I would also not be surprised if we have some professional mechanics in here.
@f00l lol def let him do it. Mid 2010s doesn’t seem so bad for repair. I don’t need/want a new car. Maybe if I got married the wife would have the new electric car. I’m good with my old ones.
@f00l@narfcake@therealjrn took me a few minutes to figure out what you were asking @therealjrn but assuming I’m correct an ELM327 is just a code reader like AutoZone will do for you.
@f00l@therealjrn@unksol More than just regular OBD2; ELM327 is a command set. For Ford vehicles, it can talk to more than just the main ECU; ABS, restraint system, transmission, body control, etc.
In my case, it can access the battery control module for the hybrid system, which many scanners can not. Once a year, I’ll use it to initiate a battery balance where it’ll force the vehicle to “top off” the battery pack. 257k+ miles, still original.
@brainmist but is it the same if I don’t show up with my mother’s 15 foot Browning Aerocraft? It’s a date. Gotta go tandem right? Then get judged by your j-stroke…
Mine would be bad to start/been a long time lol.
Always wanted to take two weeks and go through the boundary waters.
@f00l@narfcake@therealjrn yea for actually issuing commands to the battery pack or ABS I would be way more careful about the hardware. Technically they all should be the same. But if a bad command is sent…
im happy just reading data. Fine for most people
@narfcake what dongle are you using? Or did you just do the amazon lottery too? I know you said USB. which makes sense to me. Don’t want to do commands over wireless
@unksol Not even Amazon lottery; it was an adapter I bought from a thrift store for $1.49! Looked the same as the sub-$20 ones, so good enough, I suppose.
The laptop that runs Forscan is an $80 “student grade” from Micro Center. I was using an old laptop, but it weighs nearly 6 pounds and because it’s also a 3rd gen i7, it’s barely an hour of battery life.
@narfcake yea the bluetooth or wifi ones are way handier for just drive testing since you can make a bunch of realtime dashboards with torque and put it in a phone holder. Or run a scan. Not that you should be looking at it that much but it’s basically a custom gauge cluster at that point.
Hmm… why didn’t you post this early in 2015? My 1990 ghetto van (that would be grand caravan, era of the peeling paint, and named that by my then young teen kid due to that) had blown an engine gasket not 3 mo after I bought antique auto plates!!! Maybe I wouldn’t have needed to sell it to the junk yard and could have spent longer enjoying the irony of those plates on my van.
I’d bring 4 more cats (might be 5 as I am having trouble walking away from one I rescued who is very attached to me and will be sent north to find a home) to the relationship to add to your cat addiction collection.
@OnionSoup and just to be clear this was not intentional. 3-5 cats .Totally fine. Cats born during the pandemic cause you didn’t get the strays you caught under the garage to the vet intime… Eh… Another lap might help lol. But the hair will be there.
@unksol I have unintentionally ended up with 6 cats and all those struggles are still real with a small number of cats, like 6, too.
I think three cats is the perfect number (especially if they get along)… But 6 cats is still easier to own than one dog. Each of my dogs alone (fortunately just 2) is more work than all of my cats combined.
@OnionSoup I agree. Dogs have to be let out. Walked. Plus cleaned up after. I’d be down for a good farm dog with a partner. Especially if my job was just be outside. Yea dog can just come with
@brainmist lol I’m not sure if my shoulders are actually wonkey yet. But I hit hard on one side on the gravel drive, cutting then yanking things and broken branches out of the vines over my drive a week ago on sunday. I think. Maybe two. When a branch snapped.
Then went down on the road yesterday because the truck slid across the road coming out of the drive and into the ditch. So was trotting up and down the hill helping warn traffic not to attempt the hill. and it was beyond slick. Still bounced up but things definitely are sore lol.
I think a tow truck driver also went down. I know a county highway department driver did when they showed up. They weren’t planning on plowing/sanding till 12 hours later. I think a deputy convinced them after we had people stacking up on this back road hill…
They had to pull one car up hill and one down hill cause they were just going to slide off to a steep drop.
I think someone else went down. Not sure if it was a cop or one of the firefighters on their way to work…
I’m going temporary shoulder wonk since I was able to get it in the drive and go under one side, check the transfer case/motor/wiring/front axel vacuum tubes and pull myself out the other side. The ice did probably help the cardboard slide lol.
@brainmist and to be clear. My neighbor plowed my drive with his bobcat rig and in front of my stuck expedition in the yard this morning before I woke up. and helped rock it out a little. Or it wouldn’t have moved. Hit my drive.
This was a total cluster fuck… I’m embarrassed. Hence must fix before it moves again. Got to Costco. Cats have a month of food… Just a total shit show. I started
@f00l@therealjrn ya don’t say? Lol there’s a particular connector in the drivers side foot well that has wiring from the firewall and then distributes to at least one circuit for the relays under the dash. I see some more corrosion there/it is a 1997. Shits gonna happen
Hoping it’s also just right there. Otherwise chasing wires. Or worse swapping out parts in the driveway/snow.
@f00l@kuoh@therealjrn lol… Yes that one always makes me laugh. Apparently sometimes leaks/etc mess up the GEMs. Water gets to them cause a common leak. And it’s just a “welp… You’re kinda fucked”/find a working one.
So far have not had those problems. Pretty sure it’s just wiring and I’ve had issues with that block connector before. Had to pull a corroded wire out of it/cut a new end/use a shielded spade connector.
I meant to just cut the whole plug out/do all of them… But… ya know. It’s like 20 significant wires. IDK where they all go. And…It ain’t broke till it is lol. Also not 100% sure there is a connection through there for 4WD yet. I just have a feeling
I guess I should include i was on Facebook when it was college only in 2004/2005. Deleted it years ago. Have no interest in social media or AI slop lol
If I were writing a dating profile I’m not trying to trick anyone. It would be “this is the situation, do you want to be involved”
I just can’t do the deception/manipulation thing or stand it from anyone else.
I completely get talking up the positives. But you can’t hide 20 cats lol
@chienfou@unksol yeah you have to give it specific instructions. Like skin tone, hair color/length, beard/mustache, eye color, body shape, etc. The more info you provide the better the results.
@chienfou@tinamarie1974 I know you can prompt it. I just fundamentally disagree with this type of “AI” other than fucking around with it and even that… The ridiculous data centers being built to do this…
Replacing collage grads you can train with a crappy AI. Google intentionally making their search engine worse so that they could cause more searches to get more ad revenue. Then this horrific AI overview. “Don’t be evil” my ass. Do not want
Also go one should have my image/data in the first place but they have been allowed to steal everything
@chienfou@kuoh@tinamarie1974 yeah lol I saw the collage bit after I saved it… I know it’s wrong but whatever swype pattern I’m using sometimes reproduces it. I may have incorrectly trained a program at some point
@chienfou@kuoh@tinamarie1974 Teaching the AI incorrect things might stop it from taking jobs? When they realize it’s bad at it?
We’ve obviously been creating algorithms for decades but this is… Both expensive and not good. And they can’t explain what it does. Never mind the stock circle-jerk they are doing.
Granted they were allowed to acquire so much money and apparently had nothing to do with it. Like pay workers or lower prices. So… If they lose a bunch they don’t seem to care. Never mind what it does to people’s retirement savings. If they have any…
Pretty sure all it got was “man” “20 cats” “couch”
And it can’t count to 20. There are like 16, I think, of them (one of which has two bodies and one head and it’s not even a siamese cat). Of course when the second oldest grand kid had just learned to count to 100 when I asked him what came after 100 he said, “infinity and beyond”. Only he was dead serious and I had so much trouble not laughing.
@OnionSoup also… Considering the prompt… I think it’s doing a cat lady thing. Like it’s a fantasy about having 20 cats and the woman is so happy about it?
Eh… They are being chill right this minute. Localized miniature space heaters. If I lower the heat enough maybe I can slow them down lol
left side
@chienfou Placard with numbers included?
@pakopako
Nope… Just my “good” side.
I think you have to have a newspaper and hold it up next to your pic. Straight up hostage style so they know you aren’t using a old photo.
Just to start lol
@unksol OK, I’m out…
@unksol Oh so it’s a photoshop contest then?
@Kidsandliz lol I meant what would you post on a dating app if using one. I never have but maybe someday. People tend to lie/puff themselves up.
Meh could start one with no puffery allowed although how would they verify… Call it meh.people or something. Who wants to “settle” down.
Bicycles, VWs and a scruffy beard.
Black t-shirt covered in cat hair, currently a beard but it makes me look 10 years older so I’ll probably shave it before meeting you. Very, very, sharp vision because of getting some fancy toric cataract lenses installed.
I don’t mind paying, but if you want to, I won’t stop you. I’m not going to pay for your gal pal you decided to bring along, that’s your business, not mine.
I do like the weird and odd, but bear in mind, if it’s your circus, it’s your monkeys and I can’t get involved.
I don’t know the there are any on an app nearby.
But…
I have a house. I hear that’s rare these days. There are entirely too many cats. Guinan will stare deeply into your eyes and want petted. And then poke you till you do.
I’m 99% sure Data was just trying to fuck Dylan. Who are both neutered. Not sure what that was… Or why I’m telling you
But there are 17 more! And they are a mess! Anyway if you want to hang out and watch Netflix I’ll clean the couch cover. But you will end up covered in cat hair.
Perfectly happy to de-lint you if you’re comfortable with that at the end
Or like. Wanna go canoe the state park?
Pick you up in my metro
@unksol
A house. And cars have dominion over all.
Sounds like your universe is in good order.
@f00l lol. I like my car and I can probably fix yours.
The newer ones are more annoying but technically an associate electrical engineer and a coder so. Meh. Can fix those too. Sometimes
@unksol
2016 Ford. You can mix my vehicle.
Pls come fix my vehicle.
@f00l I don’t think I can mix it. I probably have the tools to fix it. Depending on what’s broke. I would also not be surprised if we have some professional mechanics in here.
There’s also good YouTube stuff like
https://www.youtube.com/@fordtechmakuloco
Car specific forums.
There are also a lot of. “The company mechanics manual says this” but there’s a faster way… And then there’s just rolled in/what idiot did this
And then there’s just. Nope to old for crawling under a car/squeezing your arm in at weird angles
¯\_(ツ)_/¯
@unksol
It just needs …. STUFF
I’m lucky enough to have a good and relatively less expensive and completely honest and honorable mechanic.
My skill level: I can only fix things if they can be fixed with Duct Tape.
/giphy duct tape

@f00l lol def let him do it. Mid 2010s doesn’t seem so bad for repair. I don’t need/want a new car. Maybe if I got married the wife would have the new electric car. I’m good with my old ones.
If I saw a good Miata that seems fun
@unksol Miata Is Always The Answer?
FTM’s video is the reason how I ended up my current daily driver.
Sold as dead, it was up and running after 15 minutes with two boost cycles.
@f00l If at anytime you want to at least do some of your own diagnostics, get a ELM327 OBD2-to-USB adapter and run Forscan on a laptop.
@f00l @narfcake @unksol
A for…WHAT?
@narfcake @therealjrn @unksol
Apple has been “helping” me with my spelling.
Nothing I saw makes any sense anyway. And then Apple helps me make even less sense.
/giphy sensible apple

@f00l @narfcake @therealjrn took me a few minutes to figure out what you were asking @therealjrn but assuming I’m correct an ELM327 is just a code reader like AutoZone will do for you.
I use a cheap Bluetooth one similar to
https://www.amazon.com/Veepeak-Bluetooth-Diagnostic-Supports-DashCommand/dp/B011NSX27A/
Not an endorsement but they are all the same, mine looks the same and a decade old.
And the free version of torque on Android. Forscan is more ford specific but there are ford “groups” for torque too
https://play.google.com/store/apps/details?id=org.prowl.torquefree&hl=en-US
You can just pull fault codes. But fuel trim/misfires/oxygen sensor voltage… Tons of sensor info. If you know what to do with it
@f00l @therealjrn @unksol More than just regular OBD2; ELM327 is a command set. For Ford vehicles, it can talk to more than just the main ECU; ABS, restraint system, transmission, body control, etc.
In my case, it can access the battery control module for the hybrid system, which many scanners can not. Once a year, I’ll use it to initiate a battery balance where it’ll force the vehicle to “top off” the battery pack. 257k+ miles, still original.
@unksol You had me at canoe.
shows up with kayak
@brainmist but is it the same if I don’t show up with my mother’s 15 foot Browning Aerocraft? It’s a date. Gotta go tandem right? Then get judged by your j-stroke…
Mine would be bad to start/been a long time lol.
Always wanted to take two weeks and go through the boundary waters.
https://www.fs.usda.gov/visit/destination/boundary-waters-canoe-area-wilderness
@f00l @narfcake @therealjrn yea for actually issuing commands to the battery pack or ABS I would be way more careful about the hardware. Technically they all should be the same. But if a bad command is sent…
im happy just reading data. Fine for most people
@narfcake what dongle are you using? Or did you just do the amazon lottery too? I know you said USB. which makes sense to me. Don’t want to do commands over wireless
@unksol Not even Amazon lottery; it was an adapter I bought from a thrift store for $1.49! Looked the same as the sub-$20 ones, so good enough, I suppose.
The laptop that runs Forscan is an $80 “student grade” from Micro Center. I was using an old laptop, but it weighs nearly 6 pounds and because it’s also a 3rd gen i7, it’s barely an hour of battery life.
@narfcake yea the bluetooth or wifi ones are way handier for just drive testing since you can make a bunch of realtime dashboards with torque and put it in a phone holder. Or run a scan. Not that you should be looking at it that much but it’s basically a custom gauge cluster at that point.
@unksol “There are entirely too many cats.” This sentence does not make sense. How can there be too many cats? Such a condition does not exist.
@f00l @unksol
Hmm… why didn’t you post this early in 2015? My 1990 ghetto van (that would be grand caravan, era of the peeling paint, and named that by my then young teen kid due to that) had blown an engine gasket not 3 mo after I bought antique auto plates!!! Maybe I wouldn’t have needed to sell it to the junk yard and could have spent longer enjoying the irony of those plates on my van.
I’d bring 4 more cats (might be 5 as I am having trouble walking away from one I rescued who is very attached to me and will be sent north to find a home) to the relationship to add to your cat
addictioncollection.When can we meet?
@OnionSoup for a normal person. Walking into a date. Got to admit the problem so the person knows what they are walking into.
Even better if it’s a positive. But come on. They are going to puke on things. Pee on things. Car hair EVERYWHERE. You’re going to eat some cat hair.
I like them and they drive me fucking crazy. If they were perfectly behaved and didn’t shed sure but… Nope.
Now imagine adding kids. Lol
@OnionSoup and just to be clear this was not intentional. 3-5 cats .Totally fine. Cats born during the pandemic cause you didn’t get the strays you caught under the garage to the vet intime… Eh… Another lap might help lol. But the hair will be there.
@unksol I have unintentionally ended up with 6 cats and all those struggles are still real with a small number of cats, like 6, too.
I think three cats is the perfect number (especially if they get along)… But 6 cats is still easier to own than one dog. Each of my dogs alone (fortunately just 2) is more work than all of my cats combined.
@OnionSoup I agree. Dogs have to be let out. Walked. Plus cleaned up after. I’d be down for a good farm dog with a partner. Especially if my job was just be outside. Yea dog can just come with
@unksol My wonky shoulder won’t handle canoe paddling. And my kayaking is decidedly amateurish, but you never get better if you give up!
(You also don’t get worse, at least not noticeably…)
@brainmist lol I’m not sure if my shoulders are actually wonkey yet. But I hit hard on one side on the gravel drive, cutting then yanking things and broken branches out of the vines over my drive a week ago on sunday. I think. Maybe two. When a branch snapped.
Then went down on the road yesterday because the truck slid across the road coming out of the drive and into the ditch. So was trotting up and down the hill helping warn traffic not to attempt the hill. and it was beyond slick. Still bounced up but things definitely are sore lol.
I think a tow truck driver also went down. I know a county highway department driver did when they showed up. They weren’t planning on plowing/sanding till 12 hours later. I think a deputy convinced them after we had people stacking up on this back road hill…
They had to pull one car up hill and one down hill cause they were just going to slide off to a steep drop.
I think someone else went down. Not sure if it was a cop or one of the firefighters on their way to work…
I’m going temporary shoulder wonk since I was able to get it in the drive and go under one side, check the transfer case/motor/wiring/front axel vacuum tubes and pull myself out the other side. The ice did probably help the cardboard slide lol.
@brainmist and to be clear. My neighbor plowed my drive with his bobcat rig and in front of my stuck expedition in the yard this morning before I woke up. and helped rock it out a little. Or it wouldn’t have moved. Hit my drive.
This was a total cluster fuck… I’m embarrassed. Hence must fix before it moves again. Got to Costco. Cats have a month of food… Just a total shit show. I started
@f00l just said I can fix your car lol. Now I have to fix my four wheel drive.
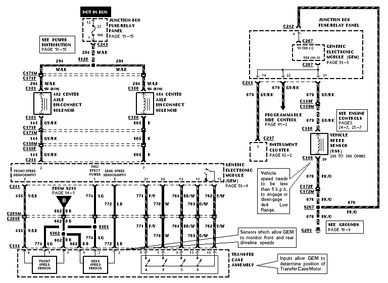
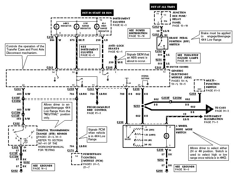
99% sure it’s electrical and I suspect I know where. Have to review the wiring diagrams
@f00l @unksol
It’s probably in the wires unk.
@f00l @therealjrn ya don’t say? Lol there’s a particular connector in the drivers side foot well that has wiring from the firewall and then distributes to at least one circuit for the relays under the dash. I see some more corrosion there/it is a 1997. Shits gonna happen
Hoping it’s also just right there. Otherwise chasing wires. Or worse swapping out parts in the driveway/snow.
¯\_(ツ)_/¯
@f00l @unksol I’m just here to help unk.
@f00l @therealjrn
@f00l @therealjrn @unksol That looks like quite the GEM of a problem you got there.
KuoH
@f00l @kuoh @therealjrn lol… Yes that one always makes me laugh. Apparently sometimes leaks/etc mess up the GEMs. Water gets to them cause a common leak. And it’s just a “welp… You’re kinda fucked”/find a working one.
So far have not had those problems. Pretty sure it’s just wiring and I’ve had issues with that block connector before. Had to pull a corroded wire out of it/cut a new end/use a shielded spade connector.
I meant to just cut the whole plug out/do all of them… But… ya know. It’s like 20 significant wires. IDK where they all go. And…It ain’t broke till it is lol. Also not 100% sure there is a connection through there for 4WD yet. I just have a feeling
@f00l @kuoh @therealjrn specifically I think it’s probably power to the transfer case relays. Page 2/C221
/image Cthulhu dating profile

Maybe ask AI to write something?
@tinamarie1974 OMG no lol.
I guess I should include i was on Facebook when it was college only in 2004/2005. Deleted it years ago. Have no interest in social media or AI slop lol
If I were writing a dating profile I’m not trying to trick anyone. It would be “this is the situation, do you want to be involved”
I just can’t do the deception/manipulation thing or stand it from anyone else.
I completely get talking up the positives. But you can’t hide 20 cats lol
@tinamarie1974 @unksol
/showme a man named unksol buried under 20 realistic looking cats on a couch in his living room
@unksol
how did the 'bot do?
@chienfou thankfully I think at max 10 are actually on/around me. Appears to be reusing the same cats.
I think 5 could be calicos which seems high…
But just straight to where is all the cat hair/couch scratches?
@chienfou also the way it made it unksol was just… It didn’t have any clue what to do with it so it just printed it in the bottom right.
Pretty sure all it got was “man” “20 cats” “couch”
@chienfou @unksol yeah you have to give it specific instructions. Like skin tone, hair color/length, beard/mustache, eye color, body shape, etc. The more info you provide the better the results.
@tinamarie1974 @unksol
…all of which was data I was lacking!
@chienfou @unksol
@chienfou @tinamarie1974 I know you can prompt it. I just fundamentally disagree with this type of “AI” other than fucking around with it and even that… The ridiculous data centers being built to do this…
Replacing collage grads you can train with a crappy AI. Google intentionally making their search engine worse so that they could cause more searches to get more ad revenue. Then this horrific AI overview. “Don’t be evil” my ass. Do not want
Also go one should have my image/data in the first place but they have been allowed to steal everything
@chienfou @tinamarie1974 also there are only 15 heads. There’s just weird spots where it filled in generic tabby cat
@chienfou @tinamarie1974 @unksol Not sure which would worse, crappy AI or “collage” grads serving overpriced fast food rudely.
KuoH
@chienfou @kuoh @tinamarie1974 yeah lol I saw the collage bit after I saved it… I know it’s wrong but whatever swype pattern I’m using sometimes reproduces it. I may have incorrectly trained a program at some point
@chienfou @tinamarie1974 @unksol So you are simply fulfilling destiny and becoming the architect of our forewarned subjugation to AI?
KuoH
@chienfou @kuoh @tinamarie1974 Teaching the AI incorrect things might stop it from taking jobs? When they realize it’s bad at it?
We’ve obviously been creating algorithms for decades but this is… Both expensive and not good. And they can’t explain what it does. Never mind the stock circle-jerk they are doing.
Granted they were allowed to acquire so much money and apparently had nothing to do with it. Like pay workers or lower prices. So… If they lose a bunch they don’t seem to care. Never mind what it does to people’s retirement savings. If they have any…
I’m super optimistic! Can you tell!
@chienfou @kuoh @tinamarie1974 @unksol AI circle of “investment.”
@chienfou @kuoh @tinamarie1974 @yakkoTDI AKA the great AI circle-jerk. Cum on they deserve a nick name. AICJ
@chienfou @kuoh @tinamarie1974 @unksol LOL! I almost posted it as the AI circle jerk of money.
@chienfou @unksol
And it can’t count to 20. There are like 16, I think, of them (one of which has two bodies and one head and it’s not even a siamese cat). Of course when the second oldest grand kid had just learned to count to 100 when I asked him what came after 100 he said, “infinity and beyond”. Only he was dead serious and I had so much trouble not laughing.
Just a guy.
@zhicks1987 Sounds like you need just a girl
/youtube just a girl
@therealjrn @zhicks1987
/youtube girls just wanna have fun
@f00l @therealjrn @zhicks1987 does he need just a girl? Or
/youtube one of them girls
@f00l @unksol @zhicks1987 It’s hard to stop at just one.
@f00l @therealjrn @zhicks1987
/youtube happen to me
Cereal killer. Got milk?
KuoH
Meh.
/showme whatever could possibly be better than having 20 cats.
It appears having 18 cats and a woman is better than having 20 cats.
@OnionSoup I mean not the AI girlfriend it’s going to create… Lol but yes. This would be true.
Having a woman so you didn’t fuck up and have 20 cats would be even better.
@OnionSoup also… Considering the prompt… I think it’s doing a cat lady thing. Like it’s a fantasy about having 20 cats and the woman is so happy about it?
Eh… They are being chill right this minute. Localized miniature space heaters. If I lower the heat enough maybe I can slow them down lol
I’m married, which is good because I’m waaay past my best-by date.